
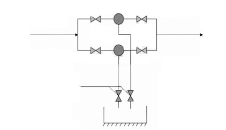
智能气源净化分配系统,包括气源净化,采用单回路或多回路过滤器、
并通过电子排水装置达到定时,或零压力损耗排污,使得气源更加洁净,并且
降低能耗。然后通过模块化气源分配器,得到多路洁净气源。
广泛应用与电力、石化、医药、造纸、医药、纺织、等行业。


气源净化控制柜的使用
3、气体分配器结构紧凑合理,不需要占用很大空间,使用方便,便于维修。
4、安装好连接上电源、气源以后,在阀门都打开的状态下只需控制电源的通断便可控制气体的流通,无需再人为的开关阀门达
到通断的效果。大大减少了维护工作量。
技术规格
1-2路过滤,带旁路
PLC控制排放时间
零压损排放
自带气源分配器,多路出气口